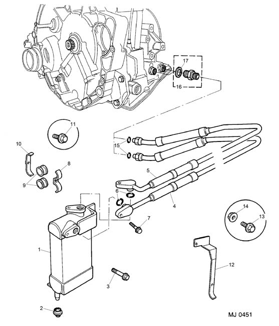
Metro/100 (Apr 90 VIN 100001on), Cooling, Heating and Air Conditioning, Oil Cooling, Oil Cooler - Automatic Japan From (V)B001001
 
Item
Part Description
Attribute Comment
Qty
 
1  UBC100130 - Oil cooler transmission   1
2  EDP9404 - Bush   1
3 FS106127P - Screw-flanged head - M6 x 12   2
4  UBP100470 - Pipe-oil cooler/transmission   1
4 UBP100610 - Pipe-oil cooler/transmission   1
5   UBP100480 - Pipe-oil cooler/transmission   1
5 UBP100620 - Pipe-oil cooler/transmission   1
6 UYX100050 - O ring - 16mm OD, 2.4mm pad connector   2
7 FS106257 - Screw-flanged head - M6 x 25 pad connector to oil cooler   2
8  UBR100030 - Clip-pipes transmission cooling   3
9 UBJ100050 - Rubber-isolating oil pipe   6
10 UBM100010 - Plate-closing-pipe transmission cooling   2
11 FA106105 - Screw-taptite - 6mm   3
12 UBU100170 - Bracket-mounting oil pipe   1
13 FS108161 - Screw-flanged head - M8 x 16 bracket to locking platform   1
14 FN108041 - Nut-flange - M8   1
15 UYX100060 - O ring - 7.6 x 1.78mm   2
16 UBT100080 - Coupling-stud transmission cooling   2
17 UYF100110 - Washer-copper Detail of Assembly   2
Show fields from Show fields from Show fields from a related table
Report Name *
Description
Reports and Charts Panel
Each table has a panel listing its reports and charts, organized in groups.
Please wait while your new report is saved...
Field label
Column heading override
Justification
What does auto mean?
Fields in:

Fields to Extract:

Name for the new table:
Items in the new table are called:

When you bring additional fields into a conversion, Quickbase often finds inconsistencies. For example, say you're converting your Companies column into its own table. One company, Acme Corporation, has offices in New York, Dallas and Portland. So, when you add the City column to the conversion, Quickbase finds three different locations for Acme. A single value in the column you're converting can only match one value in any additional field. Quickbase needs you to clean up the extra cities before it can create your new table. To do so, you have one of two choices:

  • If you want to create three separate Acme records (Acme-New York, Acme-Dallas and Acme-Portland) click the Conform link at the top of the column.
  • If the dissimilar entries are mistakes (say Acme only has one office in New York and the other locations are data-entry errors) go back into your table and correct the inconsistenciesin this case, changing all locations to New York. Then try the conversion again.

Read more about converting a column into a table.